集成电路
-
什么是光芯片 这个冷知识你知道吗
1、根据世界半导体贸易协会的说法,全球半导体细分为四个领域:集成电路、光电子、分立器件、传感器。其中
-
如果社保卡过期了还能用吗?需要重新办理吗?忘记密码么怎么办?
社保卡一般指中华人民共和国社会保障卡,由人社部统一规划,由各地人社部门面向社会发行的集成电路(IC)
-
社保卡初始查询密码是多少?在补办期间影响看病报销吗?预挂失后找回原卡需不需要撤销挂失?
社保卡是由各地人力资源和社会保障部门面向社会发行,用于人力资源和社会保障各项业务领域的集成电路(IC
-
社保卡有什么用途?有哪些基本功能?怎么激活?如何挂失补办?
社保卡全称中华人民共和国社会保障卡,用于人力资源和社会保障各项业务领域的集成电路(IC)卡。那么它有
-
墨盒干了怎么办 可以清洗一下
1、将打印机中的墨盒小心拆下。2、拆下墨盒后,找到墨盒的喷嘴(墨盒底部类似集成电路的部分)。3、准备
-
电子发烧友:怎样自制电磁陀机?
1、首先,制作的关键元件是一个集成电路AX277,也可以用377,211等同类集成块代替。这种集成块
-
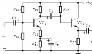
阻容耦合电路 电子电路知识系列教程
1、阻容耦合电路在模拟电路中使用的比较多,放大电路中经常使用到,在集成电路中由于电容无法做到打容量所
-
快易购关于集成电路设计流程详解 芯片硬件设计包括
1、功能设计阶段2、设计描述和行为级验证供能设计完成后,可以依据功能将SOC 划分为若干功能模块3、
-
中国芯片人才缺口超30万?原因是什么?
招聘网站报告数据显示,2019年芯片行业人才平均招聘薪资为10420元,十年工作经验的芯片人才平均招
-
夏普遥控器没反应怎么回事,夏普遥控器没反应是什么情况,夏普遥控器没反应的原因是什么
夏普遥控器没反应可能是发射器损坏了。而导致发射器损坏的原因可能是电池电压变低;还可能是445kH
